製品に関する大切なお知らせ
会員専用ページ
お問い合わせ
HOME
会社案内
製品情報
光陽産業のモノづくり
採用情報
カタログダウンロード
製品に関する大切なお知らせ
ログアウト
ログイン
HOME
>
製品一覧
>
メーター廻りユニット
>
メーター廻りユニット
> GMU335WG(M34)
Rc1×Rc3/4/1P/鉄管用/都市ガス用
カタログダウンロード
承認図ダウンロード
メーター廻りユニット
メーター廻りユニット
GMU335WG(M34)
Rc1×Rc3/4/1P/鉄管用/都市ガス用
都市ガス
鉄製
鉄管配管用
下接続
1P
防水 IPX5相当
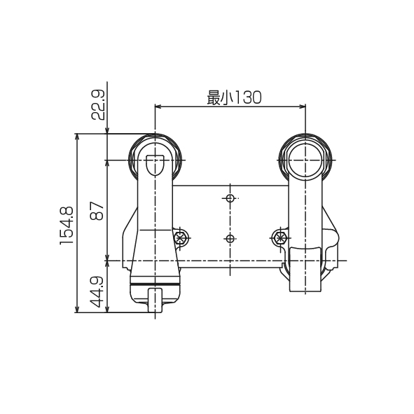
接続 入口/出口
:
Rc1×Rc3/4
メータ口金サイズ
:
M34×P1.5
出口側口数
:
1P
流量
:
13kL/h
ケース入数
:
6
つまみ閉ロック
:
無
表面塗装
:
アイボリー
絶縁
:
無
検査口向き
:
前
つまみ閉封印、余ねじカバーが付きます。
画像写真は、GMU333WG
関連製品はこちら
294,253,254
お問い合わせ
メールでのお問い合わせは下記ボタンよりお進みください。
お問い合わせフォームはこちらから
個人情報保護方針
サイトポリシー
サイトマップ
Copyright(C) 2026 koyosangyo. All rights reserved