製品に関する大切なお知らせ
会員専用ページ
お問い合わせ
HOME
会社案内
製品情報
光陽産業のモノづくり
採用情報
カタログダウンロード
製品に関する大切なお知らせ
ログアウト
ログイン
HOME
>
製品一覧
>
関連部材
>
配管部材
> Gキャップ ツバ付き
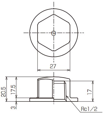
Gキャップ ツバ付き
カタログダウンロード
承認図ダウンロード
関連部材
配管部材
Gキャップ ツバ付き
Gキャップ ツバ付き
Gマークは赤色です
お問い合わせ
メールでのお問い合わせは下記ボタンよりお進みください。
お問い合わせフォームはこちらから
個人情報保護方針
サイトポリシー
サイトマップ
Copyright(C) 2026 koyosangyo. All rights reserved