製品に関する大切なお知らせ
会員専用ページ
お問い合わせ
HOME
会社案内
製品情報
光陽産業のモノづくり
採用情報
カタログダウンロード
製品に関する大切なお知らせ
ログアウト
ログイン
HOME
>
製品一覧
>
メーター廻りユニット
>
メーター廻りユニット
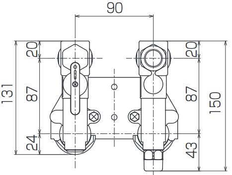
> GMU407Z90(M36)
Rc1/2×Rc1/2/1P/LPガス用
カタログダウンロード
承認図ダウンロード
取説ダウンロード
メーター廻りユニット
メーター廻りユニット
LPG適合性検査合格品
GMU407Z90(M36)
Rc1/2×Rc1/2/1P/LPガス用
LPガス
亜鉛製
下接続
1P
接続 入口/出口
:
Rc1/2×Rc1/2
メータ口金サイズ
:
M36
出口側口数
:
1P
ケース入数
:
6
検査孔
:
有
つまみ閉ロック
:
無
絶縁
:
無
検査口向き
:
前
関連製品はこちら
295
お問い合わせ
メールでのお問い合わせは下記ボタンよりお進みください。
お問い合わせフォームはこちらから
個人情報保護方針
サイトポリシー
サイトマップ
Copyright(C) 2026 koyosangyo. All rights reserved